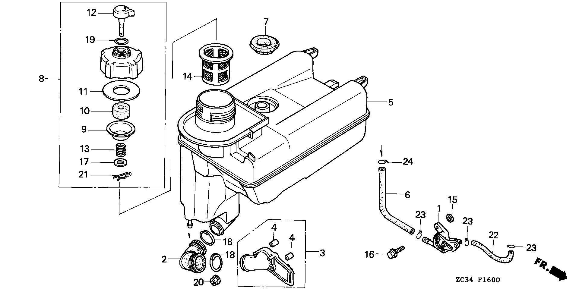
Ref No
Part Number
Description
Serial Range
Qty
Price
Ref No 1
Part Number 16950-ZC3-025
Description PETCOCK ASSY. (NOT AVAILABLE)
Serial Range 1068107 - 9999999
Ref No 2
Part Number 17251-ZC3-000
Description TUBE, AIR CLEANER CONNECTING (NOT AVAILABLE)
Serial Range 1068107 - 9999999
Ref No 3
Part Number 17271-ZC3-000
Description JOINT, AIR IN.
Serial Range 1000001 - 9999999
Ref No 4
Part Number 17272-ZC3-300
Description COLLAR, IN. JOINT
Serial Range 1000001 - 9999999
Qty
Price $3.54
Add To Cart
Ref No 5
Part Number 17510-ZC3-010
Description TANK, FUEL
Serial Range 1000001 - 9999999
Ref No 6
Part Number 17513-ZC3-000
Description TUBE, FUEL (NOT AVAILABLE)
Serial Range 1000001 - 9999999
Qty
Price $4.98
Add To Cart
Ref No 7
Part Number 17555-ZC3-000
Description RUBBER, CONNECTOR SEALING (NOT AVAILABLE)
Serial Range 1000001 - 9999999
Ref No 8
Part Number 17620-ZC3-040
Description CAP ASSY., FUEL TANK
Serial Range 1000001 - 9999999
Ref No 9
Part Number 17622-ZC3-000
Description INNER, FUEL CAP (NOT AVAILABLE)
Serial Range 1000001 - 9999999
Ref No 10
Part Number 17623-ZV0-000
Description SPONGE, FUEL CAP BREATHER
Serial Range 1000001 - 9999999
Qty
Price $1.98
Add To Cart
Ref No 11
Part Number 17625-ZV0-000
Description GASKET, FUEL CAP
Serial Range 1000001 - 9999999
Qty
Price $4.08
Add To Cart
Ref No 12
Part Number 17626-ZC3-010
Description VALVE, BREATHER
Serial Range 1162712 - 9999999
Ref No 12
Part Number 17626-ZC3-020
Description VALVE, BREATHER (NOT AVAILABLE)
Serial Range 1203804 - 9999999
Ref No 13
Part Number 17629-ZV0-000
Description SPRING, FUEL CAP
Serial Range 1000001 - 9999999
Qty
Price $2.78
Add To Cart
Ref No 14
Part Number 17670-ZC3-700
Description FILTER, FUEL
Serial Range 1000001 - 9999999
Qty
Price $15.86
Add To Cart
Ref No 15
Part Number 18292-GY1-860
Description GASKET, MUFFLER PROTECTOR
Serial Range 1000001 - 9999999
Qty
Price $3.94
Add To Cart
Ref No 16
Part Number 90012-896-750
Description BOLT, FLANGE (5X14)
Serial Range 1000001 - 9999999
Qty
Price $1.54
Add To Cart
Ref No 17
Part Number 90539-836-000
Description WASHER (6MM)
Serial Range 1000001 - 9999999
Qty
Price $2.98
Add To Cart
Ref No 18
Part Number 90851-ZC3-000
Description CLIP (28MM)
Serial Range 1000001 - 9999999
Qty
Price $3.90
Add To Cart
Ref No 19
Part Number 91362-ZC3-000
Description O-RING (13.8X2.4) (N/A: SEE ASSEMBLY)
Serial Range 1000001 - 9999999
Ref No 20
Part Number 94050-06000
Description NUT, FLANGE (6MM)
Serial Range 1000001 - 9999999
Qty
Price $0.82
Add To Cart
Ref No 21
Part Number 94251-06000
Description PIN, LOCK (6MM)
Serial Range 1000001 - 9999999
Qty
Price $1.26
Add To Cart
Ref No 22
Part Number 95001-45003-60M
Description BULK HOSE, FUEL (4.5X3000) (4.5X65)
Serial Range 1000001 - 9999999
Qty
Price $51.76
Add To Cart
Ref No 23
Part Number 95002-02080
Description CLIP, TUBE (B8)
Serial Range 1000001 - 9999999
Qty
Price $2.20
Add To Cart
Ref No 24
Part Number 95002-50000
Description CLIP, TUBE (C9)
Serial Range 1000001 - 9999999
Qty
Price $1.58
Add To Cart